Pišite nam
Izdelki
SCT cilinder ojnice
  • SCT cilinder ojniceSCT cilinder ojnice
  • SCT cilinder ojniceSCT cilinder ojnice
  • SCT cilinder ojniceSCT cilinder ojnice

SCT cilinder ojnice

Dobrodošli v veleprodajni ali prilagojeni valji SCT jarmskih drogov iz naše tovarne kadar koli. Zagotovili vam bomo tovarniško znižane cene za naše izdelke. OLK je proizvajalec in dobavitelj cilindrov jarmskih drogov SCT na Kitajskem.

Cilinder ojnice SCT ima dvosmerne tesnilne obroče YCC in zmogljivo zasnovo z dvojnim udarcem, s kompaktnim in prefinjenim videzom, ki zagotavlja hitro delovanje in gladek, stabilen izhod. Vsaka plast cilindra vsebuje posamezen bat in med postopkom potiskanja in vlečenja si več batov deli obremenitev, kar omogoča cilindru, da doseže najbolj kompaktno dolžino, hkrati pa ustvarja pomnoženo izhodno silo skozi svojo večplastno zloženo strukturo. Ta zasnova z dvojno silo zagotavlja močnejšo moč, konfiguracija šestih tesnilnih obročev pa zagotavlja odlično tesnjenje, kar omogoča, da jeklenka vzdržuje tlak do 1,4 MPa brez puščanja.

Karakteristika cilindra jarmskega droga SCT

· OLK standardni cilindri.

·Tesnilo bata ima posebno dvosmerno tesnilno strukturo s kompaktno zasnovo in funkcijo shranjevanja olja.

·Cilinder tipa ojnice; sprednji in zadnji pokrov sta povezana z ohišjem iz aluminijaste cevi z veznimi palicami za visoko zanesljivost.

·Batnica lahko doseže več pozicionirnih točk med svojim polnim hodom.

· Gladko in nastavljivo blaženje.

· Strankam so na voljo različne specifikacije jeklenk in dodatki za montažo.

· Tesnilni materiali, odporni na visoke temperature, so neobvezni, kar omogoča, da jeklenka normalno deluje pri 150 °C.


Simbol cilindra ojnice SCT 


Koda za naročanje

SCT

50

   X   

50

   X   

50

  -  

S

 

 

 

Model:

Velikost izvrtine

 

Kap 1

 

kap 2

 

Magnet

Tesnilni material

Vrsta montaže

nit

SCT cilinder jarmskega droga

 

 

 

 

 

 

Prazno: brez

Prazno: TPU

prazno:

Prazno:

PT navoj

 

 

 

 

 

 

 

S: z magnetom

N:NBR

LB: pritrditev na noge

T:NPT navoj

 

 

 

 

 

 

 

 

H:

 

G:G nit


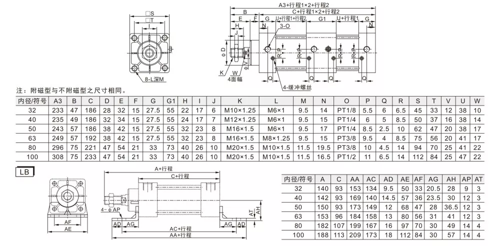
Velikost izvrtine (mm)

   32   

   40   

   50   

   63   

   80   

   100

Igralski način

Dvojno delovanje

Delovni medij

Očiščen zrak

Fiksna oblika

Osnovno in LB 

Delovni tlak

0,1–1,0 MPa (14–145 psi)

Dokazni tlak

1,5 Mpa (215 psi)

Delovno temperaturno območje

'-20-80 ℃

Uporabite območje hitrosti

30-800

Način medpomnilnika

Nastavljiv blažilnik

Razdalja medpomnilnika (mm)

21

28

29

Velikost vrat

PT1/8

PT1/4

PT3/8

PT1/2



Pnevmatske krmilne sheme za večpozicijske cilindre

Vsak del cilindra vsebuje bat.

Ko se batnica razširi, vsi bati ustvarijo potisno silo. Vendar pa med umikom samo en bat proizvaja vlečno silo.

Dovod zraka cilindra①je povezan z vrati A elektromagnetnega ventila, dovod zraka cilindra④ pa je zaporedno povezan z vrati B elektromagnetnega ventila. Dovod zraka cilindra③je povezan z dušilcem zvoka. Ko je priključek A elektromagnetnega ventila pod napetostjo, ostanejo valji v umaknjenem položaju. Ko je priključek B pod napetostjo, začnejo cilindri delovati.

1. Razširitev

Ko je dovod zraka vključen:

Elektromagnetni ventil št. 1 je pod napetostjo in valj se raztegne do prvega giba.

 

Elektromagnetni ventil št. 2 se nato napaja in valj se razteza do drugega giba.

 

2. Umik

Ko je batnica popolnoma iztegnjena:

Elektromagnetna ventila št. 1 in št. 2 sta brez napetosti in valj se popolnoma umakne.

1. Podaljšek (hod naprej)

Ko je dovod zraka vklopljen:

Elektromagnetna ventila št. 1 in št. 2 sta istočasno pod napetostjo.

Palica cilindra se razteza skozi vse gibe, dokler ni popolnoma iztegnjena.

 

2. Umik (vračanje po korakih)

①Vrnite se na drugi položaj

Ko je batnica popolnoma iztegnjena:

Elektromagnetni ventil št. 2 je brez napetosti, kar povzroči, da se valj umakne v drugi položaj.

② Vrnitev na prvi položaj

Elektromagnetni ventil št. 1 je brez napetosti, kar povzroči, da se jeklenka umakne v prvi položaj in zaključi postopek vračanja.

 

 


pogosta vprašanja:

Kaj je serija cilindrov SCT?

Cilinder SCT spada v standardno serijo pnevmatskih valjev tipa vezne palice


Hot Tags: SCT jarmski valj, Kitajska, proizvajalec, dobavitelj, tovarna
Pošlji povpraševanje
Kontaktne informacije
Dobrodošli na naši spletni strani! Za vprašanja o naših izdelkih ali ceniku nam pustite svoj e-poštni naslov in kontaktirali vas bomo v 24 urah.
E-naslov
cici@olkptc.com
Mobilni
+86-13736765213
Naslov
Zhengtai Road, Xinguang Industrial Zone, Liushi, Yueqing, Wenzhou, Zhejiang, Kitajska.
X
Piškotke uporabljamo, da vam ponudimo boljšo izkušnjo brskanja, analiziramo promet na spletnem mestu in prilagodimo vsebino. Z uporabo te strani se strinjate z našo uporabo piškotkov. Politika zasebnosti
Zavrni Sprejmi