Pišite nam
Izdelki
Airtac tip GR regulator tlaka
  • Airtac tip GR regulator tlakaAirtac tip GR regulator tlaka

Airtac tip GR regulator tlaka

Lahko ste prepričani, da kupite regulator tlaka tipa Airtac GR v naši tovarni, mi pa vam bomo ponudili najboljše poprodajne storitve in pravočasno dostavo.

Regulator tlaka tipa Airtac GR zagotavlja stabilen in natančen nadzor tlaka za pnevmatske sisteme. Pnevmatski regulator OLK  GR s trpežno konstrukcijo in enostavno nastavitvijo zagotavlja zanesljivo delovanje v opremi za avtomatizacijo, zračnih orodjih, kompresorjih in splošnih industrijskih aplikacijah. Združljivo s filtri, mazali in FRL enotami.

Regulator tlaka tipa Airtac GR Lastnosti izdelka:

·Vgrajen kvadratni manometer prihrani prostor za namestitev (zunanji okrogli manometer je neobvezen).

·Zasnova z zaklepanjem preprečuje nenamerno prilagoditev tlaka zaradi zunanje sile.

· Uravnotežena struktura za uravnavanje tlaka zagotavlja stabilen tlak, majhna nihanja in dobro delovanje.

·Lahko se namesti na ploščo ali z dodatnim montažnim nosilcem.

·Poleg standardnega modela je na voljo tudi nizkotlačni (največji nastavljiv tlak: 0,4 MPa)


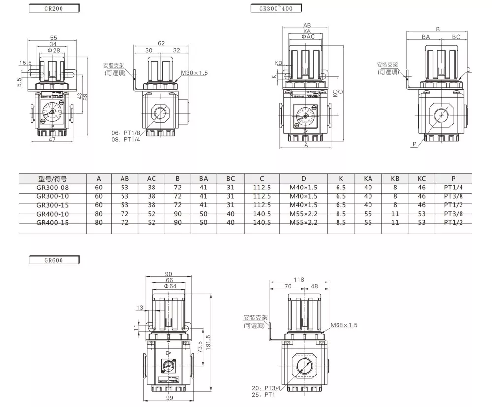
Simbol regulatorja tlaka GR:

Koda za naročanje

GR200

--

08

Model:

 

Velikost vrat:

Regulator tlaka serije GR200

 

06:PT:1/8

Regulator tlaka serije GR300

 

08:PT1/4

Regulator tlaka serije GR400

 

10:PT3/8

Regulator tlaka serije GR600

 

15:PT1/2

 

 

20:PT3/4

 

 

25:PT1


Model

GR200-06

GR200-08

GR300-08

GR300-10

GR300-15

GR400-10

GR400-15

GR600-20

GR600-25

Delovni medij

ZRAK

Velikost vrat

PT1/8

PT1/4

PT1/4

PT3/8

PT1/2

PT3/8

PT1/2

PT3/4

PT1

Razpon delovnega tlaka

0,05-0,9 Mpa (20-130 psi)

Razpon delovnega tlaka

Razpon delovnega tlaka

TEM.

-20--70 ℃

Teža

160 g

720 g

720 g

1700 g


Kako prilagoditi regulator tlaka tipa Airtac GR

Na pokrovu za nastavitev je merilna lestvica. Ko je zrak doveden, povlecite gumb navzgor in ga obrnite v smeri urinega kazalca proti znaku "+", da povečate pritisk. Po nastavitvi pritisnite gumb navzdol, da ga zaklenete.


1. korak: Primite gumb in ga povlecite navzgor.

2. korak: Obrnite ga v smeri urinega kazalca, da povečate pritisk.

3. korak: Po nastavitvi pritisnite gumb navzdol, da zaklenete.


Opomba: pri povezovanju bodite pozorni na puščico, ki kaže smer pretoka zraka. Obrnjena vstopna povezava lahko povzroči uhajanje zraka.




pogosta vprašanja:

Kaj pomeni GR?

GR pomeni regulator zraka serije GR.


Kaj pomeni GFC?

GFC=GFR+GL  (Filter Regulator + Lubricator)


Kaj pomeni GC?

GC=GF+GR+GL (filter + pnevmatski regulator + mazalo)



Hot Tags: Airtac tip GR regulator tlaka, Kitajska, proizvajalec, dobavitelj, tovarna
Pošlji povpraševanje
Kontaktne informacije
Dobrodošli na naši spletni strani! Za vprašanja o naših izdelkih ali ceniku nam pustite svoj e-poštni naslov in kontaktirali vas bomo v 24 urah.
E-naslov
cici@olkptc.com
Mobilni
+86-13736765213
Naslov
Zhengtai Road, Xinguang Industrial Zone, Liushi, Yueqing, Wenzhou, Zhejiang, Kitajska.
X
Piškotke uporabljamo, da vam ponudimo boljšo izkušnjo brskanja, analiziramo promet na spletnem mestu in prilagodimo vsebino. Z uporabo te strani se strinjate z našo uporabo piškotkov. Politika zasebnosti
Zavrni Sprejmi